 |
BP Series |
Hydraulic Oil Cooler |
|
|
| Stainless steel brazed plate coolers for various applications. |
| |
|
|
| |
Products: |
|
| |
Water-to-Oil Cooling |
|
| |
- Stainless Steel Construction |
- Corrosion Resistant TYPE 316 |
| |
- Stacked Plate |
- Mounting Studs Standard |
| |
- Copper Brazed |
- SAE Oil Connections |
| |
- High Performance |
- NPT Water Connections |
| |
- Compact Design |
- Optional Mounting Bracket |
| |
- SAE Connections |
- Nicke/Chrome Options |
| |
Ratings: |
| |
Maximum Temp: 350 F at 450psi |
| |
Maximum Pressure: 450psi
|
| |
Test Pressure: 600psi |
| |
Materials: |
| |
Plate Material: 316L Stainless |
| |
Braze Material: Copper Standard |
| |
Stud Bolts: 304 Stainless |
| |
F/B Pressure Plates: 304 Stainless |
| |
Connectors: 304 Stainless |
| |
Foot Brackets: 304 Stainless |
|
|
|
| |
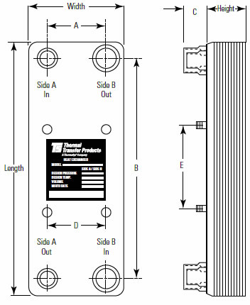
Dimensions:
| Model |
Dimensions (in) |
Connections |
Weight Aprox lbs |
| L |
W |
H |
A |
B |
| BP 12 x 5 |
12.2 |
4.9 |
.094 x
#plates + .36 |
2.7 |
9.9 |
Sweat: 5/8”, 7/8”, 1-1/8”, 1-3/8” ID
Threaded: 3/4”, 1”, 1-1/4” NPT |
.34 x
#plates + 3.0 |
| BP 20 x 5 |
20.3 |
5.0 |
.094 x
#plates + .36 |
2.8 |
18.1 |
Sweat: 5/8”, 7/8”, 1-1/8”, 1-3/8” ID
Threaded: 1”, 1-1/4” NPT |
.52 x
#plates + 4.2 |
| BP 20 x 10 |
20.3 |
9.8 |
.094 x
#plates + .36 |
6.5 |
17.0 |
Sweat: 7/8”, 1-1/8”, 1-3/8”
1-5/8” 2-1/8”, 2-5/8” ID
Threaded: 1-1/2”, 2”,2-1/2” NPT |
.80 x
#plates + 9.8 |
|
 |
|
| |
| Quotes & Ordering Information: Thermal Transfer BP Series, please contact us: 1-888-226-8522 |
|
|